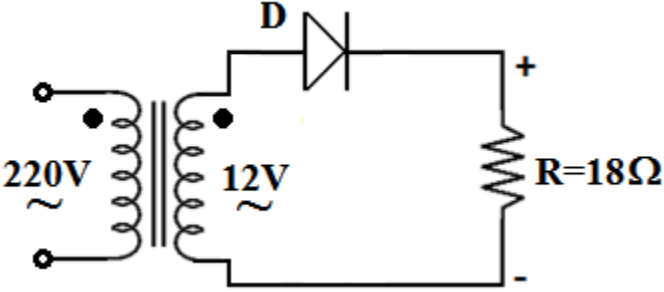
Considerando a barreira de potencial de 0,7V no diodo D, qual é o valor da tensão média no resistor R do circuito retificador representado a seguir?

Considerando a barreira de potencial de 0,7V no diodo D, qual é o valor da tensão média no resistor R do circuito retificador representado a seguir?
