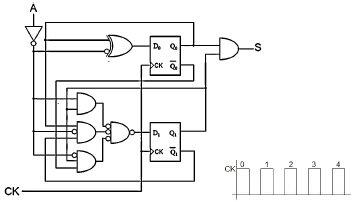
Considere o estado inicial (pulso 0) do circuito seqüencial, apresentado na figura a seguir como: (A = 1; Q0 = 1; Q1 = 0; S0 = 0). Se o circuito receberá 4 pulsos de clock consecutivos (1, 2, 3 e 4), quais os estados assumidos pela saída S após cada pulso de clock?
