O enunciado abaixo refere-se a questão.
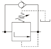
A figura abaixo representa esquematicamente um aparelho de elevação de carga acionado por um sistema hidráulico.

Para que a plataforma não adquira uma velocidade exces sivamente alta na descida, o operador deve liberar e blo quear o fluxo de óleo intermitentemente. Esse problema seria solucionado se fosse colocada na saída do óleo do atuado uma válvula do tipo