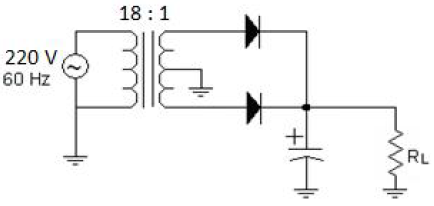
Considerando o circuito da fonte de alimentação da figura 7, analise as assertivas abaixo:
I. A retificação é do tipo onda-completa.
II. Os diodos limitam a tensão na carga em 5V.
III. A função do capacitor é a de reduzir a ondulação da tensão na saída.

Figura 7
Quais são corretas?