Analise o circuito a seguir, que possui um diodo de silício, uma carga resistiva R e um transformador de tensão.
A tensão Ve é senoidal.

Sobre o circuito, é correto afirmar que
Provas
Questão presente nas seguintes provas
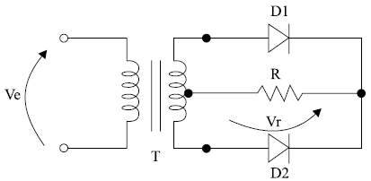
Analise o circuito a seguir, que possui um diodo de silício, uma carga resistiva R e um transformador de tensão.
A tensão Ve é senoidal.

Sobre o circuito, é correto afirmar que