Observe a figura abaixo que representa um contador síncrono.

Considerando todas as condições iniciais nulas, é CORRETO afirmar que a sequência de contagem do circuito contador síncrono é:
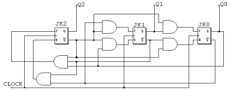
Observe a figura abaixo que representa um contador síncrono.

Considerando todas as condições iniciais nulas, é CORRETO afirmar que a sequência de contagem do circuito contador síncrono é: