INSTRUÇÃO: A tabela abaixo apresenta dez transformadas de Laplace. Caso necessário, utilize-a na resolução da questão.
| f(t) | F(s) | f(t) | F(s) | ||
| 1 | 1 | !$ { \large 1 \over S} !$ | 6 | cos at | !$ { \large S \over S^2 + a^2} !$ |
| 2 | t | !$ { \large 1 \over S^2} !$ | 7 | senh at | !$ { \large a \over S^2 - a^2} !$ |
| 3 | tn, n natural | !$ { \large n! \over S^{n+1}} !$ | 8 | cosh at | !$ { \large S \over S^2 - a^2} !$ |
| 4 | eat | !$ { \large 1 \over S-a} !$ | 9 | !$ H( t -a), \ge 0 !$ | !$ { \large e^{-as} \over S} !$ |
| 5 | sen at | !$ { \large a \over S^2 + a^2} !$ | 10 | !$ \delta( t -a), \ge 0 !$ | e-as |
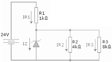
Dado o circuito abaixo:

Qual a potência dissipada no diodo zener?