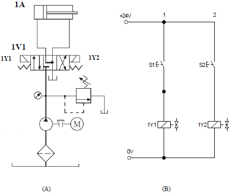
Interpretar circuitos, por meio de diagramas ou esquemas, é um dos principais requisitos exigidos para realização da manutenção em um sistema mecânico. Use o diagrama abaixo para responder à questão.
Analise atentamente as informações fornecidas e responda o que se pede.

Assinale a alternativa que traz a informação CORRETA sobre o circuito.