1889175
Ano: 2014
Disciplina: TI - Organização e Arquitetura dos Computadores
Banca: BIO-RIO
Orgão: EMGEPRON
Disciplina: TI - Organização e Arquitetura dos Computadores
Banca: BIO-RIO
Orgão: EMGEPRON
Provas:
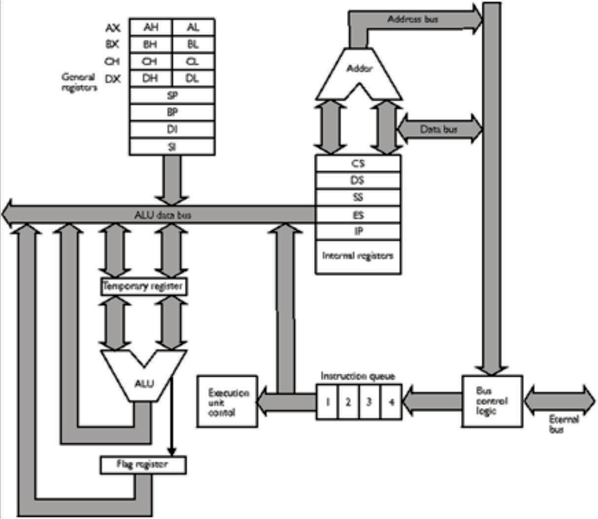
Um analista técnico eletrônico está analisando uma placa mãe de computador tipo PC-XT, baseado no microprocessador 8088, cujo diagrama interno aparece na figura a seguir.

Assinale a afirmativa ERRADA.