Observe a imagem a seguir e calcule o valor da tensão normal de cisalhamento em relação ao plano yz.

Assinale a opção CORRETA.
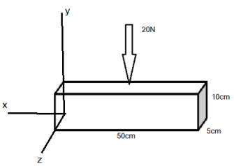
Observe a imagem a seguir e calcule o valor da tensão normal de cisalhamento em relação ao plano yz.

Assinale a opção CORRETA.