
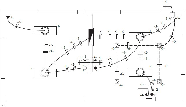
Em relação ao projeto elétrico apresentado na figura acima, considere as seguintes afirmativas a seguir.
I - Existem dois interruptores do tipo four-way.
II - Existem três tomadas de luz a 1.300 mm do piso acabado.
III - Existem quatro saídas para telefone interno no piso.
É(São) correta(s) APENAS a(s) afirmativa(s)
Provas
Questão presente nas seguintes provas
Técnico de Exploração de Petróleo - Eletrônica
50 Questões