Magna Concursos
Questões
Planos
Entrar
Entrar
Criar Conta
Respondida
155064
Ano:
2018
Disciplina:
Engenharia Civil
Banca:
CESGRANRIO
Orgão:
Transpetro
Provas:
Engenheiro Civil
Provas
×
Estruturas
Análise Estrutural
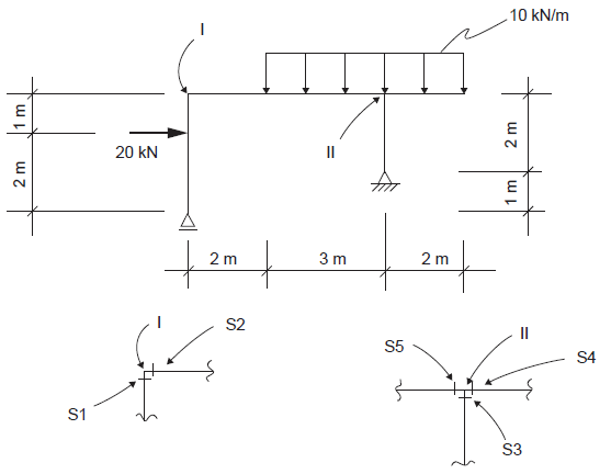
Considere o croqui da estrutura não linear contínua e os dados a seguir, para responder a questão abaixo.
Dados:
• S1 a S5 são seções da estrutura na vizinhança (infinitesimal) dos pontos 1 e 2
Analisando-se os momentos fletores, o carregamento no balanço provoca, na estrutura desse balanço, um(a)
A
cisalhamento na borda livre superior
B
tração nas fibras superiores
C
tração nas fibras inferiores
D
torção na borda livre superior
E
punção na borda livre inferior
Resolver
Comentários
0
×
Cadernos
×
Flashcards
×
Estatísticas
×
Reportar um erro
×
Provas
Questão presente nas seguintes provas
Engenheiro Civil
70 Questões
Resolver Prova
Publicar
Responder
Qual o problema da questão?
Selecione uma opção
Questão Desatualizada
Questão Repetida
Gabarito Errado
Outros Motivos
Mensagem
Enviar
Acessar
Criar Conta
Acesse sua Conta
Google
Facebook
Esqueci minha senha
Acessar
Ainda não tem conta?
Crie uma
!
Crie uma Conta
Criar Conta
Olá, para continuar, precisamos criar uma conta!
É
rápido
e
grátis
.
Google
Facebook
Concordo com os
Termos de Uso
Criar
Já tem uma conta?
Acesse aqui