Observe a figura abaixo.

Considere o eixo de transmissão de potência da figura, em que os mancais resistem apenas a forças verticais.
As tensões atuantes em um ponto A, na superfície inferior do eixo, são representadas pelo seguinte elemento:
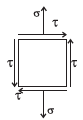
Observe a figura abaixo.

Considere o eixo de transmissão de potência da figura, em que os mancais resistem apenas a forças verticais.
As tensões atuantes em um ponto A, na superfície inferior do eixo, são representadas pelo seguinte elemento: