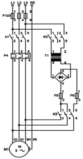
O portão de entrada do almoxarifado de um Instituto Federal possui um sistema de acionamento automático de abertura e fechamento. Além disso, o sistema possui a funcionalidade de parada emergencial do portão, com intuito de se evitar esmagamentos de objetos e pessoas. Nas figuras, são apresentados os diagramas de força e comando do sistema de controle do portão. Nesse sistema, qual princípio de frenagem é utilizado?


Provas
Questão presente nas seguintes provas