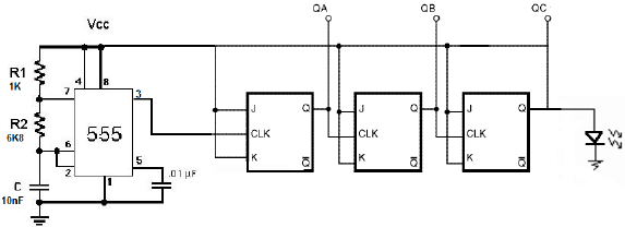
O circuito a seguir demonstra um contador e um gerador de clock, através de um 555.

Assinale a alternativa que melhor define a frequência de saída sobre o LED, em Hz.
O circuito a seguir demonstra um contador e um gerador de clock, através de um 555.

Assinale a alternativa que melhor define a frequência de saída sobre o LED, em Hz.