Magna Concursos
2949085 Ano: 2023
Disciplina: Engenharia Elétrica
Banca: FEPESE
Orgão: CAJ-SC

Caso 1

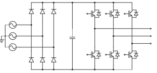
O circuito da figura abaixo mostra um inversor de frequência convencional para o acionamento de motores de indução.

Enunciado 3255096-1

Assinale a alternativa correta com relação as harmônicas de corrente de cada fase da rede elétrica.
 

Provas

Questão presente nas seguintes provas

Analista - Engenharia Elétrica

45 Questões