Magna Concursos
1535005 Ano: 2001
Disciplina: Engenharia Eletrônica
Banca: CESPE / CEBRASPE
Orgão: Petrobrás

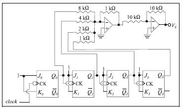
enunciado 1535005-1

No circuito da figura acima, os flip-flops são do tipo TTL, os amplificadores operacionais são alimentados por tensões de –15 V e +15 V e o sinal de clock é uma onda quadrada em nível TTL com 800 kHz. Com relação a esse circuito, julgue os itens a seguir.

O sinal Q3 é uma onda quadrada com freqüência de 50 kHz.
 

Provas

Questão presente nas seguintes provas

Engenheiro de Equipamentos - Eletrônica

200 Questões