Magna Concursos
2401278 Ano: 2010
Disciplina: Engenharia Elétrica
Banca: UFU
Orgão: UFU
Provas:

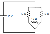
No circuito representado a seguir, qual a corrente fornecida pela fonte de 15 Volts?

Enunciado 2960552-1

 

Provas

Questão presente nas seguintes provas

Técnico de Eletrotécnica

40 Questões