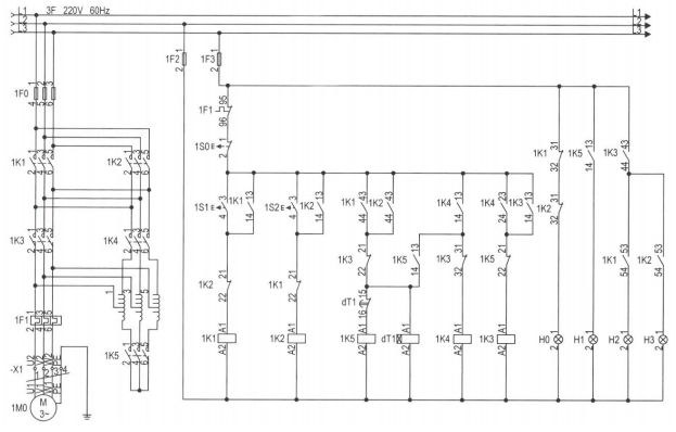
Analise, a seguir, os circuitos de carga e comando de um motor trifásico.

Nesse caso, o dispositivo de partida utilizado é uma chave:
Provas
Questão presente nas seguintes provas
Analise, a seguir, os circuitos de carga e comando de um motor trifásico.

Nesse caso, o dispositivo de partida utilizado é uma chave: