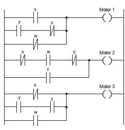
A figura abaixo corresponde à programação em LADDER para acionamento de três motores (1, 2 e 3).

Na condição de entradas definida por x = z = 0 e y = w = 1
A figura abaixo corresponde à programação em LADDER para acionamento de três motores (1, 2 e 3).

Na condição de entradas definida por x = z = 0 e y = w = 1