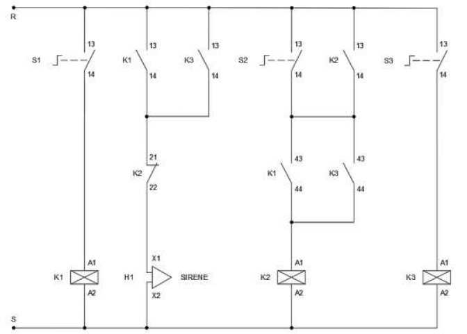
Considere que o diagrama de comando a seguir corresponde a parte de
lógica de um determinado processo, operado por intermédio dos
contatores K1, K2 e K3. As chaves S1, S2 e S3 são do tipo com retenção,
enquanto que a sirene H1 é do tipo audiovisual.
Nessas condições, analise as afirmações a seguir:
I. A sirene H1 será acionada somente se as chaves S1 e S3 estiverem ligadas ao mesmo tempo, independente do estado da chave S2;
II. Se o contator K2 for energizado, a sirene H1 será silenciada, contanto que a chave S1 ou S3 esteja na posição ligada;
III. A chave S2 pode ser substituída por uma botoeira sem retenção, uma vez que possui um contato de selo proveniente do acionamento do contator K2;
É INCORRETO o que se afirma em:
Nessas condições, analise as afirmações a seguir:
I. A sirene H1 será acionada somente se as chaves S1 e S3 estiverem ligadas ao mesmo tempo, independente do estado da chave S2;
II. Se o contator K2 for energizado, a sirene H1 será silenciada, contanto que a chave S1 ou S3 esteja na posição ligada;
III. A chave S2 pode ser substituída por uma botoeira sem retenção, uma vez que possui um contato de selo proveniente do acionamento do contator K2;
É INCORRETO o que se afirma em: