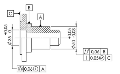
Dentre os diferentes aspectos que impactam a confiabilidade dos resultados de uma medição, um deles, de fundamental importância, é a adequada seleção do instrumento de medição, em função das características da grandeza a ser medida. Um operador precisa realizar a medição da cota especificada no desenho abaixo de ɸ 50 mm e afastamentos +0,05 e -0,03, em um lote de 50 peças, e decidir por sua conformidade à especificação. Indique qual das alternativas abaixo apresenta o instrumento de medição adequado para realizar a medição direta dessa cota dimensional, permitindo ao operador decidir pela aceitabilidade de cada uma das peças, com menor probabilidade de erros de decisão.

Fonte: https://olhonavaga.com.br/questoes/
questoes?id=43274&tc=1