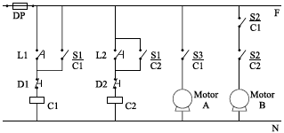
O intertravamento de processos, usualmente empregado em sistemas de automação industrial, é utilizado quando se deseja condicionar o acionamento de algum processo à ocorrência de outros eventos. A figura ilustra intertravamento típico.

De acordo com acionamento ilustrado, assinale a alternativa correta.