Magna Concursos
Questões
Planos
Entrar
Entrar
Criar Conta
Respondida
1300809
Ano:
2013
Disciplina:
Engenharia Civil
Banca:
CAIP-IMES
Orgão:
Pref. Botucatu-SP
Provas:
Analista - Projetos e Construção
Provas
×
Normas e Legislações
NBRs
NBR 9.077: Saídas de Emergência em Edifícios
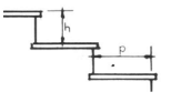
Em muitas instalações prediais surge a necessidade de se projetar escadas e rampas. Para escadas é muito útil o uso da fórmula de Blondell, onde:
A
2h + p = 63 ou 64 cm, sendo h preferencialmente 18 cm.
B
2h + p = 43 ou 44 cm, sendo h preferencialmente 12 cm.
C
2h + p = 54 ou 56 cm, sendo h preferencialmente 15 cm.
D
2h + p = 44 ou 45 cm, sendo h preferencialmente entre 14 e 15 cm.
Resolver
Comentários
0
×
Cadernos
×
Flashcards
×
Estatísticas
×
Reportar um erro
×
Provas
Questão presente nas seguintes provas
Analista - Projetos e Construção
40 Questões
Resolver Prova
Publicar
Responder
Qual o problema da questão?
Selecione uma opção
Questão Desatualizada
Questão Repetida
Gabarito Errado
Outros Motivos
Mensagem
Enviar
Acessar
Criar Conta
Acesse sua Conta
Google
Facebook
Esqueci minha senha
Acessar
Ainda não tem conta?
Crie uma
!
Crie uma Conta
Criar Conta
Olá, para continuar, precisamos criar uma conta!
É
rápido
e
grátis
.
Google
Facebook
Concordo com os
Termos de Uso
Criar
Já tem uma conta?
Acesse aqui