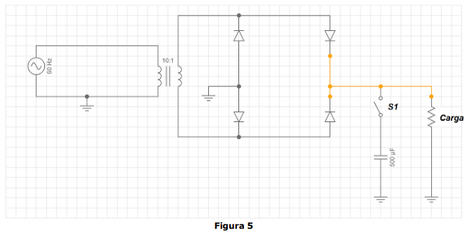
Observe o circuito da Figura 5, que se encontra incialmente descarregado e com a
chave S1 aberta e analise as assertivas abaixo: 
I. Trata-se de um circuito oscilador, aplicando sinal senoidal sobre a carga. II. Trata-se de um retificador de meia onda. III. A chave S1, quando fechada, irá reduzir o ripple de tensão sobre a carga. IV. Trata-se de um retificador de onda completa em ponte.
Quais estão corretas?

I. Trata-se de um circuito oscilador, aplicando sinal senoidal sobre a carga. II. Trata-se de um retificador de meia onda. III. A chave S1, quando fechada, irá reduzir o ripple de tensão sobre a carga. IV. Trata-se de um retificador de onda completa em ponte.
Quais estão corretas?