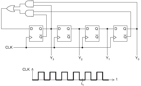
Abaixo, tem-se o circuito de um registrador de deslocamento de quatro bits, construído com flip-flops tipo D.

Considerando-se que o registrador de deslocamento inicia sua operação com Y3Y2Y1Y0 = 0000 em t = 0, as saídas Y3Y2Y1Y0 que esse circuito irá apresentar em t = t1 serão, respectivamente,