Magna Concursos
946058 Ano: 2016
Disciplina: Engenharia Elétrica
Banca: SEDUC - PI
Orgão: SEDUC-PI
Provas:

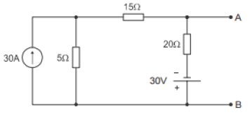
Considere o circuito abaixo.

enunciado 946058-1

A corrente em um resistor de 10 Ω, conectado entre os pontos A e B, é

 

Provas

Questão presente nas seguintes provas

Engenheiro Eletricista

20 Questões