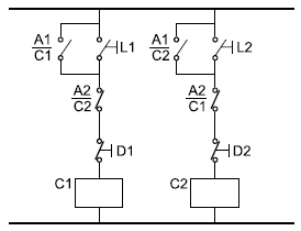
É dado o comando elétrico ilustrado na figura.

Considerando que se trata de um comando elétrico composto por dois contatores (C1 e C2), assinale a alternativa correta.
Provas
Questão presente nas seguintes provas
Técnico Legislativo - Manutenção e Conservação
60 Questões