Magna Concursos

enunciado 424256-1

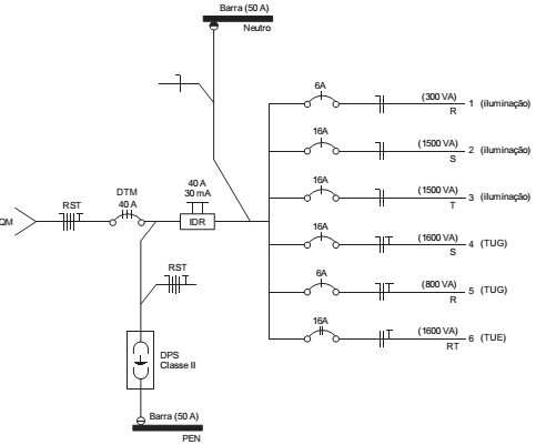
O DPS é ligado a
 

Provas

Questão presente nas seguintes provas