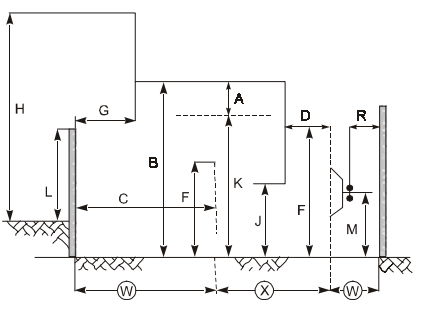
A figura abaixo representada indica o espaçamento para instalações elétricas de média tensão. A tabela apresenta as dimensões adotadas no Memorial Descritivo de determinado projeto, em consonância com a norma ABNT NBR14039/2003.

W = Área de circulação de pessoas advertidas.
X = Área de circulação proibida.
DIMENSÕES MÍNIMAS ADOTADAS (mm) | |
A | 300 |
G | 1600 |
B | 4200 |
R | 1700 |
D | 600 |
F | 2200 |
J | 900 |
K | 2300 |
L | 2100 |
C | 2400 |
Da leitura e interpretação do desenho, em conexão com a tabela e considerando a norma mencionada, é correto afirmar que, para este projeto,