Magna Concursos
Questões
Planos
Entrar
Entrar
Criar Conta
Respondida
2271511
Ano:
2012
Disciplina:
Engenharia Eletrônica
Banca:
UFCG
Orgão:
UFCG
Provas:
Engenheiro Eletricista
Provas
×
Circuitos de excitação senoidal, fasores em c.a., impedância e tensão eficaz
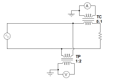
No circuito abaixo, a leitura dos equipamentos é 4 A e 15 V. Portanto, a potência na carga é:
A
30 watts.
B
60 watts.
C
150 watts.
D
300 watts.
E
600 watts.
Questão Anulada e Desatualizada
Resolver
Comentários
0
×
Cadernos
×
Flashcards
×
Estatísticas
×
Reportar um erro
×
Provas
Questão presente nas seguintes provas
Engenheiro Eletricista
50 Questões
Resolver Prova
Publicar
Responder
Qual o problema da questão?
Selecione uma opção
Questão Desatualizada
Questão Repetida
Gabarito Errado
Outros Motivos
Mensagem
Enviar
Acessar
Criar Conta
Acesse sua Conta
Google
Facebook
Esqueci minha senha
Acessar
Ainda não tem conta?
Crie uma
!
Crie uma Conta
Criar Conta
Olá, para continuar, precisamos criar uma conta!
É
rápido
e
grátis
.
Google
Facebook
Concordo com os
Termos de Uso
Criar
Já tem uma conta?
Acesse aqui