
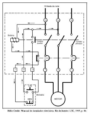
Com relação à figura acima, que mostra o esquema do acionamento de um motor de indução trifásico, julgue os itens subseqüentes.
Após se pressionar o botão "LIG", o "Contato auxiliar" e o "Contato principal" fecham-se, possibilitando a alimentação da "Bobina" e do motor.