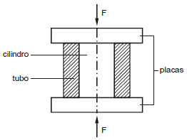
Um cilindro de diâmetro d e um tubo de diâmetro externo 2d, são submetidos a uma carga de compressão axial por meio de duas placas indeformáveis, conforme mostrado na figura abaixo.

A relação entre os módulos de elasticidade do cilindro e do tubo é 3. Portanto, a relação entre as tensões normais do cilindro e do tubo é