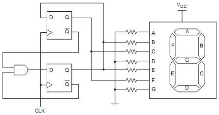
Um circuito digital sequencial é empregado para acionar um display de sete segmentos numérico e padrão, conforme mostrado na figura.

O display de sete segmentos está configurado de maneira que o LED de um segmento será aceso quando um sinal em nível baixo de tensão for aplicado ao resistor conectado em série com a entrada correspondente ao segmento. Além disso, ambos os flip-flops partem de um estado inicial onde Q = 0. 
Assim, a sequência completa dos números que irão aparecer representados no display, quando um sinal de clock (CLK) periódico foi aplicado ao circuito, será a seguinte: