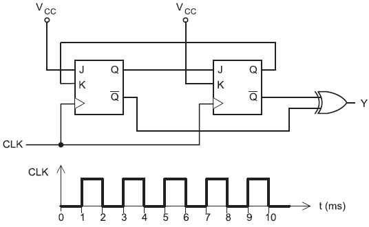
Na figura abaixo é apresentado um circuito digital sequencial, juntamente com um gráfico mostrando a evolução do sinal de clock ao longo do tempo.

Considerando que os atrasos de propagação das portas lógicas e dos flip-flops são desprezíveis e que todos os flip-flops estão com Q = 0 em t = 0 ms, o gráfico que ilustra a evolução no tempo do sinal medido na saída Y é apresentado em:
Provas
Questão presente nas seguintes provas
Engenheiro de Equipamentos - Instrumentação
70 Questões