- Tecnologia das ConstruçõesSistemas e Elementos ConstrutivosSistemas EstruturaisEstruturas de Concreto
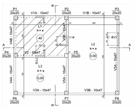
Atenção: A figura abaixo apresenta a planta de formas de uma edificação e será usada para as duas próximas questões.

Sobre o pilar P5, é correto afirmar que: