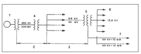
Para a transmissão de energia elétrica ser efetivada, existe uma estrutura básica envolvendo diversas etapas e seus respectivos
elementos responsáveis. A figura a seguir mostra um diagrama elétrico de um sistema de geração, transmissão e distribuição de
energia elétrica:

Com bases em suas etapas e seus elementos assinale a associação correta.

Com bases em suas etapas e seus elementos assinale a associação correta.