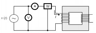
A figura a seguir apresenta um circuito para o ensaio em vazio de um transformador de força. Esse circuito é composto, além do transformador, de um amperímetro A, um voltímetro V e um Wattímetro W.

A respeito desse experimento, assinale a afirmativa correta.
Provas
Questão presente nas seguintes provas
Técnico de Nível Superior - Engenharia Elétrica
80 Questões