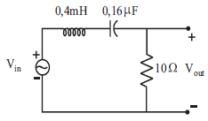
A figura abaixo ilustra um circuito RLC, alimentado por uma fonte de tensão senoidal com amplitude Vin constante.

A freqüência em rad/s da fonte que torna a amplitude de saída Vout máxima é:
A figura abaixo ilustra um circuito RLC, alimentado por uma fonte de tensão senoidal com amplitude Vin constante.

A freqüência em rad/s da fonte que torna a amplitude de saída Vout máxima é: