Magna Concursos
Questões
Planos
Entrar
Entrar
Criar Conta
Respondida
2700687
Ano:
2004
Disciplina:
Engenharia Mecânica
Banca:
CESPE / CEBRASPE
Orgão:
Petrobrás
Provas:
Mecânico
Provas
×
Metrologia
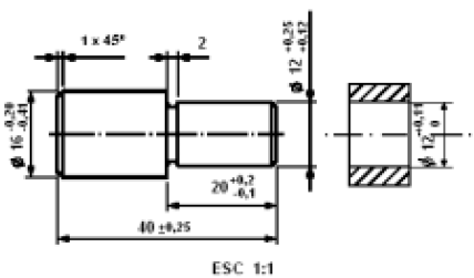
Com base no desenho acima, julgue o item que se segue.
O diâmetro maior da peça tem dois afastamentos negativos, logo a dimensão efetiva dessa cota é maior que a dimensão nominal.
C
Certo
E
Errado
Resolver
Comentários
0
×
Cadernos
×
Flashcards
×
Estatísticas
×
Reportar um erro
×
Provas
Questão presente nas seguintes provas
Mecânico
100 Questões
Resolver Prova
Publicar
Responder
Qual o problema da questão?
Selecione uma opção
Questão Desatualizada
Questão Repetida
Gabarito Errado
Outros Motivos
Mensagem
Enviar
Acessar
Criar Conta
Acesse sua Conta
Google
Facebook
Esqueci minha senha
Acessar
Ainda não tem conta?
Crie uma
!
Crie uma Conta
Criar Conta
Olá, para continuar, precisamos criar uma conta!
É
rápido
e
grátis
.
Google
Facebook
Concordo com os
Termos de Uso
Criar
Já tem uma conta?
Acesse aqui