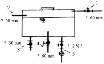
A figura esquemática abaixo representa uma típica instalação de reservatório elevado e água fria. Dentre as alternativas abaixo, assinale a que identifica corretamente as tubulações representadas.

Provas
Questão presente nas seguintes provas
A figura esquemática abaixo representa uma típica instalação de reservatório elevado e água fria. Dentre as alternativas abaixo, assinale a que identifica corretamente as tubulações representadas.
