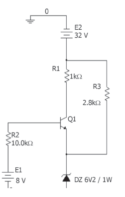
Para o circuito da figura, todos os componentes são de potência nominal
ideal. O transistor Q1 tem β = 200. O valor conhecido de VBE = 0,8V.
Analisando o circuito, é correto afirmar que a queda de tensão em:

Analisando o circuito, é correto afirmar que a queda de tensão em:
