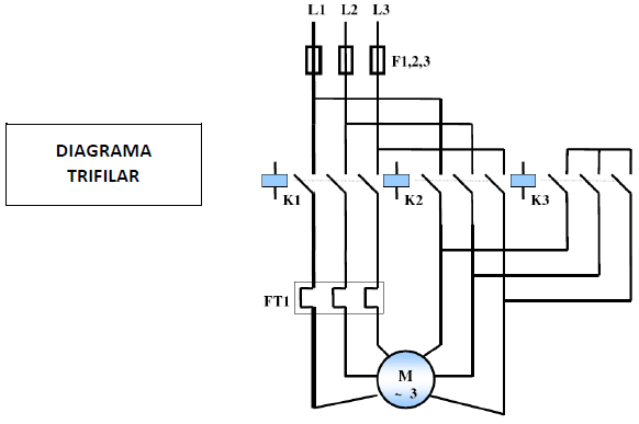
A figura abaixo esquematiza um circuito usado para partida de motores. Essa configuração tem grande eficiência se relacionada a seu custo e praticidade:

A alternativa que define o esquema de ligação mostrado é:
Provas
Questão presente nas seguintes provas