
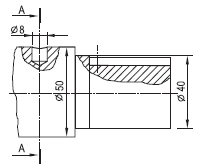
A NBR 10067:1995 fixa a forma de representação aplicada em desenho técnico. Segundo essa norma, os recursos de seções em corte auxiliam a interpretação dos desenhos técnicos. A figura acima mostra a indicação de um plano de corte que dará origem à seção AA. Dentre as figuras abaixo, qual representa a seção AA?
Provas
Questão presente nas seguintes provas