3665938
Ano: 2019
Disciplina: Engenharia Elétrica
Banca: Consulplan
Orgão: Pref. Pitangueiras-SP
Disciplina: Engenharia Elétrica
Banca: Consulplan
Orgão: Pref. Pitangueiras-SP
Provas:
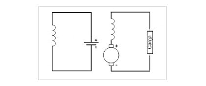
Motores e geradores são máquinas elétricas que possuem uma semelhança quanto à sua estrutura e aos princípios de funcionamento. A imagem representa um circuito de um gerador de corrente contínua.

Assinale a alternativa que define o tipo de excitação de
campo desse gerador.