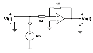
Analise o circuito com diodo de silício a seguir (condução a partir de 0,7V). A entrada \( V \)\( i \)(\( t \)) = 120 sen(2π60t) (V). Os valores dos resistores estão em Ω. O amplificador operacional pode ser considerado ‘ideal’, isto é, com ganho muito alto (> 100.000) e sem limites de excursão de tensão de saída.

Diante do exposto acima, assinale a alternativa que apresenta o sinal de saída \( V \)\( o \)(\( t \)).