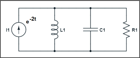
Analise o circuito a seguir. Um modelo no domínio do tempo, ou seja, no espaço de estados, considerando a entrada da figura (exponencial amortecida) e a saída, sendo a tensão no resistor é igual a:

Provas
Questão presente nas seguintes provas
Analise o circuito a seguir. Um modelo no domínio do tempo, ou seja, no espaço de estados, considerando a entrada da figura (exponencial amortecida) e a saída, sendo a tensão no resistor é igual a:
