Magna Concursos
2724041 Ano: 2023
Disciplina: Engenharia Eletrônica
Banca: FUNDATEC
Orgão: GHC
Provas:

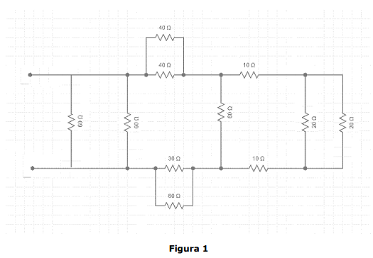
Determine a resistência equivalente no circuito da Figura 1.

Enunciado 3446153-1

 

Provas

Questão presente nas seguintes provas

Técnico em Eletrônica

50 Questões