Magna Concursos
235914 Ano: 2018
Disciplina: Engenharia Eletrônica
Banca: UFC
Orgão: UFC

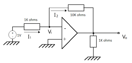
Para o circuito da figura abaixo, assinale a alternativa que contém os valores de V1, I1, I2 e Vo.

enunciado 235914-1

 

Provas

Questão presente nas seguintes provas

Técnico de Laboratório - Eletrônica

50 Questões