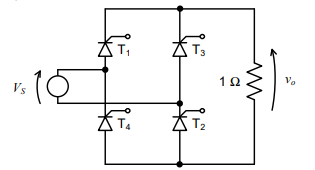
O circuito a seguir tem por finalidade controlar a potência dissipada no resistor de 1 Ω.

Considerando que a tensão VS é senoidal com valor eficaz 100 V e que os tiristores T1, T2, T3 e T4 possuam ângulo de disparo de 60º , o valor aproximado da potência dissipada no resistor, em W, é igual a: